上海吉邁閥門制造有限公司主要生產≦BKH(MKH)高壓球閥≧也是國內球閥生產商之一。公司創建以來,始終致力于閥門的科技管理和不斷創新,使企業走上了良性循環的規模化經營之路,擁有了一支專業的閥門設計和技術研發隊伍,形成了一套完整的生產管理、質量管理、營銷管理和服務管理體系。
BKH(MKH)高壓球閥概述:
圖形符號

型號說明

①產品代號:BKH、MKH系列高壓球閥
②接頭標準:SAE J518C標準
③壓力等級:210、420 bar
④公稱通徑:13、20、25、32、40、50 mm
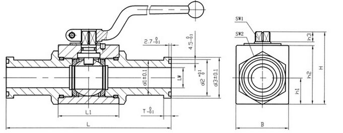
結構圖及主要外形尺寸
尺寸表
簡略型號
|
bar
|
DN
|
LW
|
L
|
L1
|
B
|
H
|
h1
|
h2
|
h3
|
BKH-SAE-FS-210-13
|
210
|
13
|
13
|
151
|
47
|
35
|
49
|
18
|
38
|
10
|
BKH-SAE-FS-420-13
|
420
|
13
|
13
|
151
|
47
|
35
|
49
|
18
|
38
|
10
|
BKH-SAE-FS-210-20
|
210
|
20
|
19
|
162
|
60
|
48
|
70
|
25
|
55
|
11
|
BKH-SAE-FS-420-20
|
315
|
20
|
19
|
174
|
60
|
48
|
70
|
25
|
55
|
11
|
BKH-SAE-FS-210-25
|
210
|
25
|
25
|
178
|
65
|
57
|
79
|
28.5
|
64
|
11
|
BKH-SAE-FS-420-25
|
315
|
25
|
22
|
198
|
65
|
57
|
79
|
28.5
|
64
|
11
|
BKH-SAE-FS-210-32
|
210
|
32
|
30
|
191
|
84
|
75
|
101
|
37.5
|
84
|
12
|
BKH-SAE-FS-420-32
|
350
|
32
|
27
|
223
|
84
|
75
|
101
|
37.5
|
84
|
12
|
BKH-SAE-FS-210-40
|
210
|
40
|
36
|
231
|
91
|
85
|
112
|
42.5
|
95
|
12
|
BKH-SAE-FS-420-40
|
350
|
40
|
32
|
281
|
91
|
85
|
112
|
42.5
|
95
|
12
|
BKH-SAE-FS-210-50
|
210
|
50
|
48
|
232
|
100
|
104
|
131
|
62
|
112.5
|
12
|
BKH-SAE-FS-420-50
|
350
|
50
|
45
|
316
|
100
|
104
|
131
|
62
|
112.5
|
12
|
尺寸表
SW1
|
SW2
|
T
|
d1
|
d2
|
d3
|
美標O形圈
|
09
|
30
|
6.8
|
24
|
25.5
|
30.2
|
18.6×3.5
|
09
|
30
|
7.9
|
24
|
25.5
|
31.8
|
18.6×3.5
|
12
|
41
|
6.8
|
31.7
|
31.9
|
38.1
|
25×3.5
|
12
|
41
|
8.9
|
32
|
31.9
|
41.3
|
25×3.5
|
12
|
50
|
8.1
|
38
|
39.8
|
44.4
|
32.9×3.5
|
12
|
50
|
9.6
|
38
|
39.8
|
47.6
|
32.9×3.5
|
14
|
60
|
8.1
|
43
|
44.6
|
50.8
|
37.7×3.5
|
14
|
60
|
10.4
|
44
|
44.6
|
54
|
37.7×3.5
|
14
|
70
|
8.1
|
50
|
54.1
|
60.3
|
47.2×3.5
|
14
|
70
|
12.7
|
51
|
54.1
|
63.5
|
47.2×3.5
|
14
|
90
|
9.6
|
62
|
63.6
|
71.4
|
56.7×3.5
|
14
|
90
|
12.7
|
67
|
63.6
|
79.4
|
56.7×3.5
|
專業制造、專業服務、為您創造更多價值!
吉邁閥門致力于滿足用戶的期望,不斷提升服務質量,精益求精,“真誠的服務”是永恒的主題,嚴格按照ISO9001-2000質量體系認證要求,質量嚴格把關,責任到人,確保生產、銷售、服務的一條龍運行.加強與用戶溝通,竭誠為廣大新老客戶提供優質的產品,至善至美服務.
特此我廠做出如下承諾:
產品標準:
產品嚴格按中國GB、HG標準和美國API等標準設計、制造、驗收。密封面硬度達到國家規定要求,寬度超過國家標準.
售前服務:
產品介紹,技術交流,非標產品設計,疑難解答.
售中服務:
1.守信合同,保證及時供貨,隨時保持與客戶聯系.
2.對特殊或復雜的產品,我廠安排介紹人員對用戶進行產品使用、故障排除、調試及維修進行培訓和指導.
售后服務:
- 產品質保期為自簽訂合同生效起12個月,實行“三包”服務,(包退、包換、包修).
- 產品在使用中我廠定期組織技術、質檢人員進行訪問,征詢用戶對產品質量、使用狀況、改進意見等各方面的反饋.
- 對用戶投訴質量問題,快速做出反應,售后服務人員在24-36小時(省外48小時)趕赴現場.
- 對售后服務,要求用戶填寫服務后的質量反饋信息表,并做出鑒定意見,一邊提供的服務質量.